
ALP智能保護裝置
聯系我們


ARD系列低壓電動機保護器
該系列低壓電動機保護器,具有過載、斷相、不平衡、欠載、接地/漏電、堵轉等保護功能。可與接觸器、電動機起動器等電器元件構成電動機控制保護單元,具有遠程自動控制、現場直接控制、面板指示、信號報警、現場總線通信等功能。應用范圍:
可廣泛應用于煤礦、石化、冶煉、電力、建筑等行業的配電領域。訂貨范例:
具體型號:ARD3T K1 A25/C+60L數字式電動機保護器
| 技術參數 | 技術指標 | |||
| ARD2(L) | ARD2F | ARD3 | ||
| 輔助電源 | 電壓 | AC85V~265V/DC100V~350V | ||
| 功耗 | ≤7VA | ≤15VA | ||
| 額定工作電壓 | AC380V/AC660V,50Hz/60Hz | |||
| 額定工作電流 | 1A(0.1~9999) | |||
| 5A(0.1~9999) | ||||
| 1.6A(0.4A~1.6A) | ||||
| 6.3A(1.6A~6.3A) | ||||
| 25A(6.3A~25A) | ||||
| 100A(25A~100A) | ||||
| 250A(63A~250A) | ||||
| 800A(250A~800A) | ||||
| 繼電器輸出觸點容量 | AC250V/ 3A;DC30V/ 3A | AC250V/ 6A | ||
| 開關量輸入 | 2路 | 9路 | ||
| 環境 | 工作溫度:-10ºC~55ºC | |||
| 貯存溫度:-20ºC~65ºC | ||||
| 相對濕度:5﹪~95﹪不結露 | ||||
| 海拔高度:≤ 2000m | ||||
| 污染等級 | 2 | |||
| 防護等級 | IP20 | 主體IP20,顯示單元IP45 | ||
| 安裝類別 | III級 | |||
模塊式電動機保護器
| 技術參數 | 技術指標 | ||
| ARD3T輔助電源 | AC/DC 110 / 220V或AC 380V,功耗≤15VA | ||
| 電機額定工作電壓 | AC 380V / 660V,50Hz / 60Hz | ||
| 電動機額定工作電流 | 1.6(0.40A-2.00A) | 使用測量模塊測量 | |
| 6.3(1.6A-6.3A) | |||
| 25(6.3A-25A) | |||
| 100(25A-100A) | |||
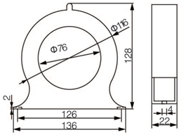
| 250(63A-250A) | 采用外置電流互感器 + 測量模塊 | ||
| 800(250A-800A) | |||
| 漏電 | 50mA-1A | 采用測量模塊 + 漏電流互感器 | |
| 3A-30A | |||
| 繼電器輸出觸點容量 | 阻性負載 | AC250V、6A;DC24V、6A | |
| 感性負載 | AC250V、2A;DC24V、2A | ||
| 主體開關量輸入、輸出 | 4DI、4DO,DI可以為干節點或濕節點 | ||
| 開關量模塊 | 4DI、3DO,DI可以為干節點或濕節點 | ||
| 溫度模塊 | 外接傳感器類型:PT100、PT1000、Cu50、PTC、NTC 傳感器路數:3路 傳感器對應測量范圍: PT100/PT1000:-50°C~+500°C Cu50:-50°C~+150°C PTC/NTC:100Ω~30kΩ | ||
| 模擬量模塊 | 可實現:2路4~20mA輸入測量,2路4~20mA變送輸出 4~20mA輸入測量精度±0.5% 4~20mA輸出最大帶載能力為≤500Ω | ||
| 主體通訊 | RS485:Modbus-RTU | ||
| 通訊模塊 | RS485:雙Modbus-RTU、Profibus | ||
| 環境 | 工作溫度 | -10ºC~55ºC | |
| 貯存溫度 | -25ºC~65ºC | ||
| 相對濕度 | ≤95﹪不結露,無腐蝕性氣體 | ||
| 海拔 | ≤2000m | ||
| 污染等級 | 3級 | ||
| 防護等級 | 主體IP20,分體顯示模塊IP45(安裝在柜體上) | ||
| 安裝類別 | III級 | ||

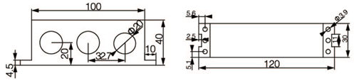
● ARD2(L)電動機保護器
◆ 主體模塊


















●ARD系列智能電動機保護器






工程案例
MORE+